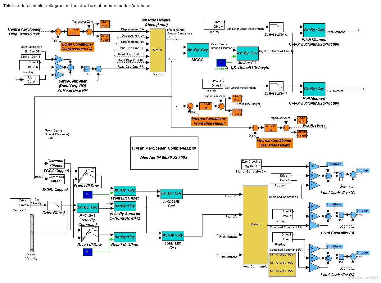
This is a detailed block diagram of the structure of an Aeroloader Database:
There are several types of aeromap available
sample file: AEROMAP.TXT()
The Aeromap ride-height range is limited using Clippers. The clipper range is read from the aeromap file and set accordingly.
To check the range is being set correctly, in the menu select: Tools | Advanced | System Configuration click. In "DSP Objects" select "Clippers | BCGC_Clipped" and "Clippers | FCGC_Clipped" for rear and front respectively. In the properties of these objects, you'll see "ClipHigh?/Low" values which should be set to the unscaled maximum and minimum ride height values in the aeromap file (i.e., 0.45=45mm on a scale of 100mm). The scale is taken from the scale of the Aeroloader LVDT transducer.
To check the Car Velocity is correctly configured, the "Velocity Squared" output should read a DSP unit of 1 when the Car Velocity signal is at the "Reference Velocity
The active Centre of Gratvity feature can be disabled by setting the first input scale of the Active CG router to zero (or which ever input is from the MCGC router). If this is the case, the value entered in the Car setup window for the Center of gravity height, should be the distance of the centre of gravity from the ground (not the car chassis floor).
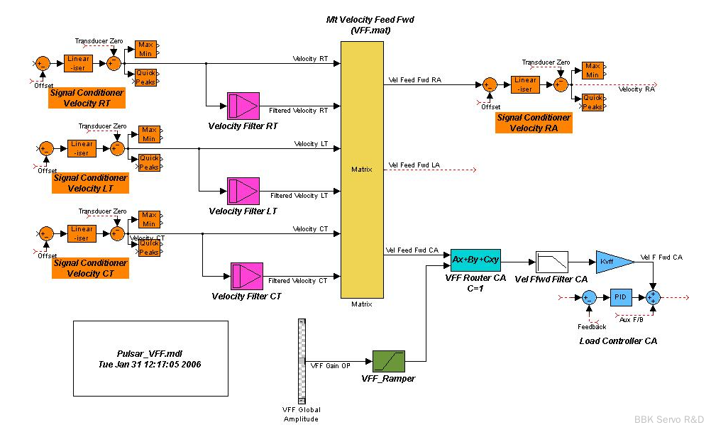
The block diagram below describes the VFF signal processing:
The velocity feed forward filters are selected so that the residual load is minimised. Most customers get Servotest to do the VFF optimisation. I’m not sure what situations will require the optimisation to be redone.
The normal load controller is usually setup so that it is overdamped i.e. very stable and poor response and we rely on the VFF. Note there is VFF slider on RaceCar, this slider must be set to 100%, the VFF performance will drop rapidly if this is reduced.
If there are problems with aeroloader instability the first question is to check that they are stable with the VFF set to 0.
If the instability only exists with VFF at 100% then the problem is obviously with the VFF optimisation. The correct thing to do would be to send an engineer to do a complete optimisation using VFFO. This is likely to be impractical and hence the customer will have to reduce the VFF slider until it works (check the phase of the velocity Vs aeroload transfer function).
The behaviour of the aeroloaders can be seen by looking at the transfer function of aeroload Vs velocity. If the phase tends to 180 degrees then the aeroloaders will be unstable, the phase should be around 90 degrees. The coherence should be low because there should be no relationship between the velocity and aeroload.
(The following is an extract from an e-mail written by Frank.)
The length of the velocity transducer rods is chosen so that the velocity transducers are in the centre of their stroke when the rig is in the “Ramped” condition, with typical downforce. It is important that this is checked whenever the car or the mounting points are changed, since if a transducer goes outside its working range the signal level falls and then the polarity reverses. This means that the Velocity Feedforward system cannot not work properly and will produce unpredictable aeroloads.
If you can tell us the distance between the top of the transducer body (remove black nylon cap if fitted) and the attachment point, we can calculate the correct length of the rods.
Alternatively, you can find the approximate centre of the transducer by pushing the rod in until the nylon bush on the lower end of the magnet just protrudes at the bottom of the transducer body, then raising the rod until the other end of the magnet shows at the top of the transducer (again, remove black nylon cap if fitted). The centre of the transducer travel is approx. mid way between these two positions, so you can estimate the length of rod required.